尊龙时凯LED驱动电源管理芯片TX6214设计的DC-DC升压恒流DEMO说明

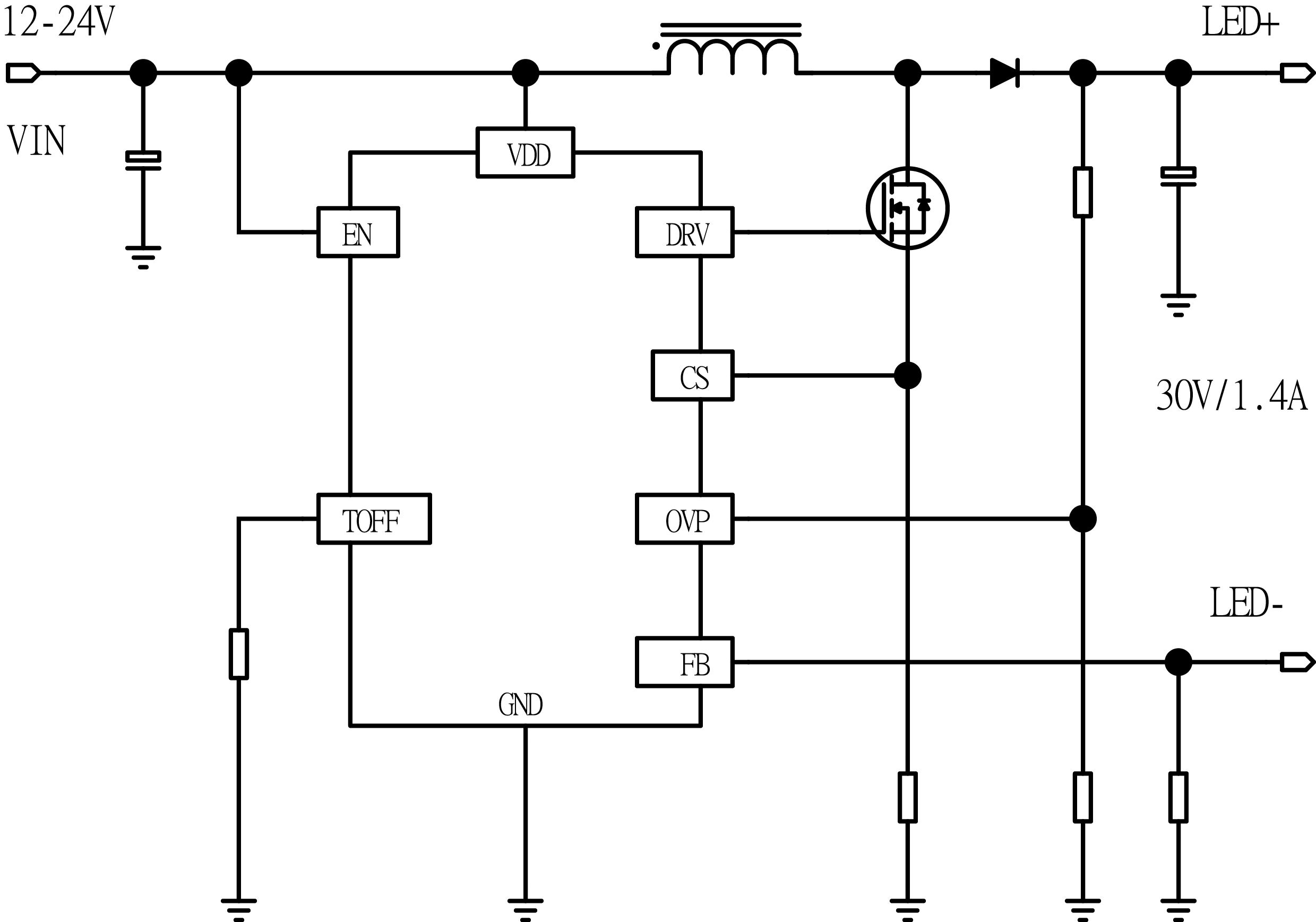
LED恒流芯片 TX6214 原理图

LED恒流芯片 TX6214 电路板

LED恒流芯片 TX6214 参数实测

TX6214 DEMO 板实测数据 和 转换效率 参考
基本描述:
本 DEMO 为 LED恒流芯片 TX6214 制作的演示板,,,,用于 DC 输入 12-24V,,,输出电压30V,,, 输出恒流 1.4A 的应用演示,,,,最高转换效率高达 96%。。 本电路固定工作频率是:80.6 KHz。。。输出 30V/1.4A ,,,输出电压可调。。。