简述:
TX5804是一款完整的单节锂离子电池采用恒定电流/恒定电压线性充电器。。。。
芯片外部元件少所以成为便携式应用的理想选择。。。。
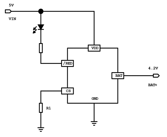
芯片可以适合USB电源和适配器电源工作,,, 由于采用了内部P-MOS架构,,, 加上防倒充电路,, 所以不需要外部检测电阻器和隔离二极管。。。
热反馈可对充电电流进行调节,,,, 以便在大功率操作或高环境温度条件下对芯片温度加以限制。。
充电电压固定于4.2V,, 而充电电流可通过一个电阻器进行外部设置。。。
当充电电流在达到最终浮充电压之后降至设定值 1/10时,,, 芯片将自动终止充电循环。。。。
当输入电压( 交流适配器或 USB 电源)被拿掉时,,, 芯片自动进入一个低电流状态,,, 将电池漏电流降至 2uA 以下。。。
也可将芯片置于停机模式,,, 以而将供电电流降至45uA。。。
芯片的其他特点包括充电电流监控器、、、、 欠压闭锁、、、 自动再充电和一个用于指示充电结束和输入电压接入的状态引脚。。
芯片采用 SOT23-5 封装。。
典型应用:

封装:

输入电压 :4.5V - 6.5V
输出恒流恒压 :4.2V
输出类型:线性
充电电流 :400mA
静态电流 :1/10C
涡流电压 2.9V
封装:SOT-23-5