TX4150是一款开关降压型DC-DC同步整流芯片
TX4150集成了高侧 36V 250mΩ 和低侧 36V、、、、140mΩ 功率 MOSFET。。。
在 4.5V 至33V 的宽输入电压下,,提供1.5A连续负载电流输出可调,,输入过压保护为33V。。
峰值电流模式控制提供快速的瞬态响应和逐周期的电流限制。。。芯片具有可配置的线路跌落补偿,,,,输出电流可调。。。。
输入欠压锁定。。输出过压保护。。CC/CV 模式控制提供恒定电流充电和恒压充电阶段之间的平滑过渡。。。
内置软启动防止上电时的浪涌电流。。。芯片采用 ESOP8 封装。。。。
TX4150 是一款开关降压型 DC - DC 同步整流芯片
电压范围:4.5-33V
输出电压:固定5V 输出/ADJ
输出电流: 5V / 1.5A 、、、12V / 1A
工作频率:150KHz
转换效率:97%
带线补功能
控制模式:CC/CV
芯片封装:ESOP-8
TX4150 是一款开关降压型 DC - DC 同步整流芯片
消费类电子产品
便携式充电设备
充电器
USB充电器
TX4150 是一款开关降压型 DC - DC 同步整流芯片
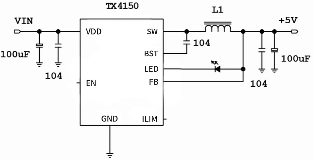
TX4150 DEMO板 应用原理图 固定5V输出:

TX4150 DEMO板 应用原理图 ADJ电压输出:

TX4150 DEMO板 PCB图:

TX4150输出电压计算器:
