TX4138 4.5-60V 3A 大电流开关降压DC-DC恒压芯片
TX4138 是一款宽电压开关降压型DC-DC转换器。。。。芯片3A连续输出电流,,,,具有优良的负载和线路调节。。。。

芯片具有短路保护和热关断功能。。。芯片外部元件少,,,,方便设计。。。。

芯片采用ESOP-8封装。。。

输入电压:4.5-60V
输出电压:ADJ < 40V
输出电流:5V / 4A
工作频率:200KHz
转换效率:93%
短路保护
过温保护
芯片封装:ESOP-8

 

平衡车
电动车
USB电源
GPS电源

TX4138 4.5-60V 4A 大电流开关降压DC-DC恒压芯片

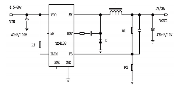
典型应该用原理图:

 

PCB布线图:
 

 

物料BOM表清单:


 



站点地图